Tillämpning av Acrel Medical IT System på malaysiska sjukhus
Hem / Projekt / Sjukhus / Tillämpning av Acrel Medical IT System på malaysiska sjukhus

Tillämpning av Acrel Medical IT System på malaysiska sjukhus

Med den ökande användningen av elektronisk medicinsk utrustning på sjukhus utgör risken för läckström betydande hot mot patientsäkerheten, särskilt i kritiska vårdmiljöer. Under kirurgiska ingrepp eller anestesi kopplas patienterna direkt till olika elektroder och sensorer. Även minimala läckströmmar kan orsaka elektriska stötar när medicinsk utrustning är i direkt kontakt med människokroppen.

Vidare måste livsuppehållande utrustning för kritiskt sjuka patienter upprätthålla en oavbruten drift. Varje strömavbrott kan omedelbart äventyra patientens liv. Därför måste sjukhusens elektriska system strikt följa nationella standarder genom att implementera IT-strömförsörjningssystem i angivna områden.

Denna fallstudie visar tillämpningen av Acrels medicinskt isolerade strömförsörjningssystem i Malaysia, med:

Medicinsk IT-kraftdistribution

Isolationsövervakningsanordningar

Fellokaliseringssystem

Kontakta oss
  • Projektöversikt
  • Projektöversikt
    Malaysia I.E.D är beläget i SELANGOR DARUL EHSAN, projektet används huvudsakligen på ö-sjukhus i Malaysia, produkterna används för 12-kretsisoleringsfelplats för 3 uppsättningar sjukhusisolerat kraftsystem, de relaterade produkterna är isoleringsmonitoranordning AIM-M200, signaltestgenerator ASG150, centraliserad larmindikator, AID-larmindikator, AID AIL150-8, AIL150-4 och läckströmstransformator AKH-0.66P26.


    Medicinsk IT-system Introduktion
    ACREL medicinsk IT-systems isoleringsövervakningsenhet och fellokaliseringssystem är lämpligt för sjukhusoperationsrum, ICU (CCU) och andra viktiga platser, och kan ge en säker plats för sådana kontinuerliga, pålitliga kraftlösningar.


    Strömförsörjningslösning för medicinska platser
    ICU, CCU-avdelningens distributionslösningar (till exempel GGF-I8G isolerat elskåpssystem)


    Alternativ I utan fellokaliseringsfunktion


    Alternativ II med felsökningsfunktion

    OBS: I kraftdistributionslösningarna på intensivvårdsavdelningen, bör AID-seriens centraliserade larm- och displayanordning installeras i sjuksköterskans station, sjukhuspersonalen på sjuksköterskornas station övervakar driftstatusen för varje isolerat kraftsystem.


    Operationsrumsdistributionslösningar (till exempel GGF-O8G isolerat elskåpssystem)

    Alternativ I utan isolationsfelslokaliseringsfunktion


    Alternativ II med isolationsfelslokaliseringsfunktion

    1. I operationssalens kraftdistributionslösningar bör AID-serien av externa larm- och displayenheter installeras på underrättelsepanelen inne i operationssalen, eller bredvid underrättelsepanelen (väggmonterad installation). Under operationen övervakar den medicinska personalen det isolerade elsystemets hälsa.

    2. I schemat med isolationsfelslokaliseringsfunktion, om antalet lokaliserade kanaler är fler än åtta, kan två uppsättningar AIL150-lokaliserare användas. Kombinationen kan vara AIL150-8 och AIL150-4 (upp till 12 kanaler), eller AIL150 -8 och AIL150-8 (upp till 16 kanaler).

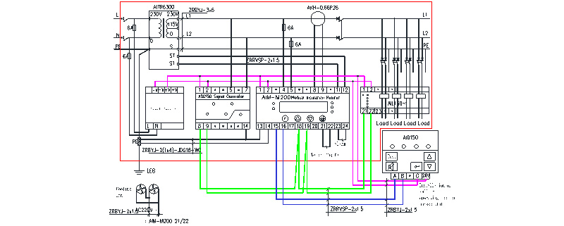
    3. Typiskt kopplingsschema






    4. Introduktion av 7-delad medicinsk IT

    Produktnamn och typ Produktbild Beskrivning
    AITR serie medicinsk isoleringstransformator AITR-seriens isolationstransformator används speciellt i medicinska IT-system. Lindningarna är behandlade med dubbel isolering och har ett elektrostatiskt skärmskikt, vilket minskar elektromagnetiska störningar mellan lindningarna. Temperaturgivaren PT100 är installerad i trådpåsen för att övervaka transformatorns temperatur. Hela kroppen är behandlad med vakuuminvasionsfärg, vilket ökar den mekaniska styrkan och korrosionsbeständigheten. Produkten har bra temperaturhöjningsprestanda och mycket lågt ljud.
    AIM-M200 medicinskt intelligent isoleringsövervakningsinstrument AIM-M200 medicinsk itelligent isoleringsövervakningsinstrument antar avancerad mikrokontrollerteknik, som har hög integration, kompakt storlek, bekväm installation och integrerar itelligence, digitalisering och nätverk i ett. Det är det idealiska valet för isoleringsövervakning av isolerade kraftsystem i klass 2 medicinska platser som operationssalar och intensivvårdsavdelningar.
    AKH-0.66P26 strömtransformator Strömtransformatorn AKH-O 66P26 är den skyddande strömtransformatorn som stöder AIM-M200 isolationsmonitor, varav den maximala mätbara strömmen är 60A och transformationsförhållandet är 2000:1. Strömtransformatorn är direkt fixerad inuti skåpet genom att skruva, och sekundärsidan leds ut av terminalen, vilket är bekvämt att installera och använda.
    AIL150-4/AIL150-8 isolationsfelsökare AIL150-4/AIL150-8 isolationsfelsökare adopts high sensitivity transformer combined with a high precision signal detecting circuit, which detects the signal imported into the system from the ASG150 test signal generator and accurately locates the circuits which have insulation faults. AIL150-4 insulation fault locator can locate the insulation faults of 4 circuits, and the AIL150-8 insulation fault locator can locate the insulation faults of 8 circuits.
    ASG150 testsignalgenerator ASG150-testsignalgeneratorn använder ett 32-bitars mikroprocessorchip och högprecisionssignalgenereringskrets för att realisera genereringen av den specifika testsignalen. När det övervakade IT-systemet har isolationsfel kan det starta upp och producera en testsignal i tid, och arbeta med isolationsfelslokaliseringen för att realisera isolationsfelsplatsen.
    HDR-60-24 strömmodul HDR-60-24 likströmsförsörjning kan ge 24V DC-strömförsörjning samtidigt för AIM-M200
    medicinskt intelligent isoleringsövervakningsinstrument, ASG150-testsignalgenerator, AIL150-seriens isoleringsfelsökare och AID150 centraliserat larm- och displayinstrument Strömförsörjningen har hög kapacitet, stabil spänningsutgång och bekväm installation, som kan uppfylla strömförsörjningskraven för de ovan nämnda mätarna och är den rekommenderade strömförsörjningsprodukten.
    AID1 50 centraliserat larm- och displayinstrument AID150 centraliserat larm- och displayinstrument antar LCD-displayen med flytande kristaller och uppnår datautbyte med AIM-M200 medicinskt intelligent isoleringsövervakningsinstrument via RS485-kommunikationsgränssnittet, som i realtid kan övervaka flerkanalsdata från AIM-M200 medicinskt intelligent isoleringsövervakningsinstrument.

    Bilder på plats



Acrel Co., Ltd.