Märkström 80A direkt
MID-certifierad
Hög noggrannhet Klass C
35 mm DIN-skena monterad
Pulsutgång
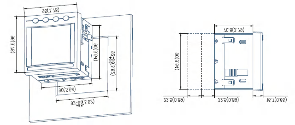
4 moduler 72mm bredd
För IoT Energy Management, Factory, School
Äkta RMS-mätningar
THD med 63:e övertoner
K-Factor och Crest Factor
Obalans & Fasvinklar
Krav och Multi-Tariff energi
Max/Min logg med tidsstämpel
+86-18702106858 / +86-21-69156352
APM810 är en 0.2S-klass trefas AC multifunktionspanelmätare konstruerad för exakt energiövervakning, strömkvalitetsdiagnostik och hyresgästdebitering i industri-, kommersiella och datacentercentraler. Det kompakta 96×96 mm DIN-höljet har en TFT-pekskärm i färg som visar sann RMS-spänning till 690 V, ström, frekvens, aktiv/reaktiv/skenbar effekt, PF, efterfrågan, övertoner till 63:e, THD och fyrkvadrant kWh/kvarh. Dual RS485 Modbus-RTU, Ethernet TCP/IP, BACnet/IP, SNMP och valfri Wi-Fi/LoRa ger sömlös BMS/EMS-integration, medan 4 MB inbyggt minne loggar 12-månaders belastningsprofiler för energibesiktningar. Konfigurerbara över-/underspännings-, ström-, PF- och övertonslarm driver reläutgångar eller digitala ingångar för smart brytarstyrning; puls-, SOE- och TOU-register stöder Utility AMI, solenerginätmätning och laddningsapplikationer för elbilar. Bred 3×57,7–690 V, 0,001–10 A direkt eller CT/VT-anslutning plus manipuleringssäker tätning passar alla smart-grid- eller mikro-grid-utbyggnader.
| Tekniska parametrar | Värde | |||
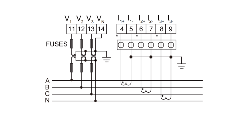
| Ingång | Anslutning | Enfas-2-tråd, 3-fas-3-tråd, 3-fas-4-tråd | ||
| Frekvens | 45-65Hz | |||
| Spänning | Betyg: | |||
| enfas: AC 100V, 400V | ||||
| Trefas: AC 3×57,7V/100V(100V),3×220V/380V(400V),3×380V/660V(660V) (endast storlek 96) | ||||
| Överbelastning: 1,2-faldig värdering {kontinuerlig): 2-faldig värdering i 1 sekund | ||||
| Strömförbrukning:< 0,5VA | ||||
| Aktuell | Betyg: AC IA、5A | |||
| Överbelastning: 1,2-faldigt betyg (kontinuerligt); 10-faldigt betyg under 1 sekund | ||||
| Strömförbrukning:< 0,5VA | ||||
| Utgång | Elektrisk energi | Utgång mode:open-collector photo-coupler pulse | ||
| Pulskonstant: 10000imp/kWh(inställbar),se kopplingsschema för detaljer; | ||||
| Kommunikation | RS485-port, Modbus -RTU-protokoll, DLT645-protokoll (versionerna 07 och 97), | |||
| överföringshastighet 1200 ~ 38400 | ||||
| Funktion | Växling av ingång | Torrkontaktingång, inbyggd strömförsörjning; om modellen är KA är den AC 220V aktiv. | ||
| Växlingsutgång | Utgång mode: Relay normally open contact output | |||
| Kontaktkapacitet: AC 250V/3A, DC 30V/3A | ||||
| Analog utgång | 4 - 20mA | |||
| Noggrannhetsklass | Frekvens:0.05Hz,Current、Voltage:0.2 class,Reactive power:l .0class,Reactive Electric energy:l .0class, active power:0.5class,active electric energy: 0.5class,2-31th harmonic measurement:±1% | |||
| Strömförsörjning | AC/DC 85-265V eller DC24V(±20%)eller DC48V(±20%) | |||
| strömförbrukning≤10VA | ||||
| Säkerhet | Strömfrekvens tål spänning | Mellan Strömförsörjning//Omkopplingsutgång// Strömingång//spänningsingång och sändning// Kommunikation //Pulsutgång//växlingsingång AC 2 kV 1min; | ||
| Mellan strömförsörjning、omkopplingsutgång、Strömingång、spänning Ingång AC 2 kV 1min; | ||||
| Mellan sändning、Kommunikation、Pulsutgång、växlingsingång AC 1kV 1 min; | ||||
| Isolationsmotstånd | Ingång、Output end to machine enclosure >100MΩ | |||
| Miljö | Temperatur | arbete: -25°C~ 65°C lagring: -40°C ~ 80°C | ||
| Fuktighet | ≤93%RH Ej kondenserande | |||
| Höjd | ≤2500m | |||
Effektövervakningslösning
Acrel Co., Ltd. grundades 2003. 【Aktienummer: 300286.SZ】 är ett högteknologiskt företag specialiserat på energihanteringslösningar och elsäkerhet. Acrel har sitt huvudkontor i Shanghai och erbjuder innovativa och hållbara lösningar för energieffektivitet och elsäkerhet i mikronät. Med över 600 patent och upphovsrätter till mjukvara har Acrel distribuerat mer än 28 000 systemlösningar globalt och skapat en omfattande "molnbaserad" energiinternetarkitektur.
Acrel Co., Ltd. är Kina Partihandel AC trefas programmerbar panelmonterad energimätare Tillverkare och AC trefas programmerbar panelmonterad energimätare Fabrik. Acrels integrerade produktekosystem sträcker sig från molnplattformsprogramvara till slutanvändarkomponenter och täcker sektorer som kraft, förnybar energi, datacenter, smarta byggnader, transporter och smarta städer. Dessa lösningar möjliggör intelligent energihantering i realtid, vilket förbättrar energisäkerheten och minskar driftskostnaderna. Vi erbjuder AC trefas programmerbar panelmonterad energimätare till salu.
Företagets produktionsanläggning, Jiangsu Acrel Electric Manufacturing Co., Ltd., följer strikta kvalitetsstandarder och miljöriktlinjer, med avancerade testcenter och ett engagemang för blyfria produktionsprocesser. Acrels team med över 500 ingenjörer levererar banbrytande energieffektivitetssystem och smarta energilösningar.
Med en stark nationell närvaro expanderar Acrel aktivt internationellt, med stöd av ett globalt nätverk av sälj- och teknikteam och en e-handelsplattform som säkerställer sömlösa serviceupplevelser över hela världen. Acrel är stolta över att hjälpa företag att förbättra effektiviteten, minska konsumtionen och uppnå hållbarhetsmål.
Tillsammans bygger vi en smartare och grönare framtid.
Auktoriserade patent
0+Antal betjänade kunder
0+Totalt antal anställda
0+Tillverkningsbas
0m²Välkommen att ansluta I samband med den snabba utvecklingen av den nya energibranschen kan scenarier som t.ex kommersiell och industriell energilagring , batteribytesstationer , och hushållssystem för solcellslagring har ställt högre krav på noggrannhet, kompatibi...
Läs merBranschbakgrund och applikationsvikt Samlingsskenor fungerar som ryggraden i elektriska distributionssystem i industrier som sträcker sig från ställverk, industriella drivsystem, växelriktare för förnybar energi, batterienergilagringssystem (BESS) och elfordonskraftelektronik. Med tillväxten a...
Läs merBranschbakgrund och applikationsvikt Den snabba introduktionen av elfordon (EV) driver på nya infrastrukturkrav i bostadsmiljöer med flera hyresgäster som lägenhetskomplex, byggnader med blandad användning och flerfamiljshus. Till skillnad från enfamiljshus delar lägenheter vanligtvis elektris...
Läs mer